产品中心
90GHz 光电探测器
苏州太阳成集团tyc539官网科技有限公司供应的PD-90是一款90GHz(107 Gbit/s)带宽的高速无需偏置光电探测器(通过后续检测提供偏置,如:DEMUX 驱动,无需偏置电压),设计主要用于数字通信、数据传输系统,DEMUX,RZ格式(107 Gbit/s),工作波长1480-1620nm。
产品特点
· 两个集成偏置网络
· 直流耦合,后置放大器或解复用器 IC
· 更好的整体插入损耗
· RZ格式高达 107 Gbit/s
· 工作波长;1480-1620nm
典型应用
· 数字通信
· 数据传输
· DEMUX 驱动无偏置-T
· 过该探测器通对后续电子设备进行输入偏置
相关文件
产品介绍

苏州太阳成集团tyc539官网科技有限公司供应的PD-90是一款90GHz(107 Gbit/s)带宽的高速无需偏置光电探测器(通过后续检测提供偏置,如:DEMUX 驱动,无需偏置电压),设计主要用于数字通信、数据传输系统,DEMUX,RZ格式(107 Gbit/s),工作波长1480-1620nm。



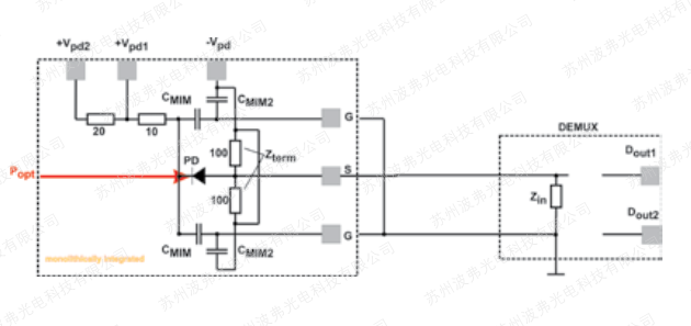
PD-90 | 结构设计


S21带宽 | 脉冲测试 | RZ信号眼图

产品型号及主要指标

主要性能参数
PD-90 参数值
工作波长 1480nm-1620nm
3dB带宽 90GHz(107 Gbit/s)
脉宽 7.3ps
灵敏度 ~0.53A/W@1550nm
PDL <0.4dB
线性功率 12dBm(@1dB压缩点)
暗电流 <100nA@3V
RF连接器 1.0mm Female连接器
输出阻抗 50Ω
光回损 >27dB
光纤 SMF-Fiber
光接头 FC/APC
带宽,脉冲性能,眼图测试参考上述曲线。
更多详细信息,联系苏州太阳成集团tyc539官网科技有限公司相关销售人员获取。
*

相关产品
在线留言
导航 产品 资料 电话