产品中心
+10dBm 1310nm 蝶形 SOA

1310nm(O波段)半导体光放大器(SOA)系列产品,主要应用于40G/100G 1310nm(4波LWDM/CWDM)光放大。支持温度监测和TEC热电控制,全温度工作范围稳定运行。定制化服务:可支持保偏、集成隔离器、集成PD光功率监控等更高集成度的器件订制。

单模版本

保偏版本

品牌:Bonphot

产品特点
· 低功耗,典型驱动电流120mA,满足高速ROSA低功耗需求。
· 支持温度监测和 TEC 热电控制,全温度工作范围稳定运行。
· 定制化服务:可支持保偏、集成隔离器、集成PD光功率监控等更高集成度的器件订制。
典型应用
· 数据中心互联,40G/100G光信号放大。
· 汇聚分流,40G/100G 光信号放大。
产品介绍
1310nm(O波段)半导体光放大器(SOA)系列产品,主要应用于40G/100G 1310nm(4波LWDM/CWDM)光放大。支持温度监测和TEC热电控制,全温度工作范围稳定运行。定制化服务:可支持保偏、集成隔离器、集成PD光功率监控等更高集成度的器件订制。
产品型号及主要指标

参数

符号

工作条件

最小值

典型值

最大值

单位

工作波长

λ

T=25℃

1260

1300

1340

nm

带宽

Δλ

@-3dB

60

-

-

nm

小信号增益

G

If=120mA   Pin=-25dBm

20

-

-

dB

饱和光功率

Psat

If=120mA

10

-

-

dBm

饱和光功率(保偏)

Psat

If=120mA

`0

-

-

dBm

偏振消光比(保偏)

Per

-

20

-

-

dB

工作电流

If

-

-

120

200

mA

正向电压

Vf

-

-

-

1.8

V

TEC电流

ITEC

-

-

-

1.8

A

TEC电压

VTEC

-

-

-

3.4

V

偏振相关增益

PDG

-

-

1

2

dB

噪声系数

NF

-

-

7.5

-

dB

热敏电阻阻值

Rtherm

T=25℃

9.5

10

10.5

热敏电阻电流

Itherm

-

-

-

5

mA

气密性


T=25℃

1*10-12

1*10-11

1*10-8

Pa.m3/s。

工作温度

TC

I=Iop

-10

-

70

存储温度

Tstg

-

-40

-

85

总功耗

P

-

-

-

4

W

备注 1:气密性数值为管壳封装数值,排除管壳外部残留干扰测试得出。


典型特性


 

 

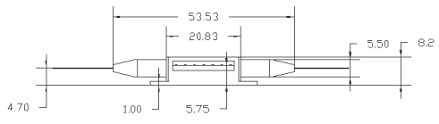
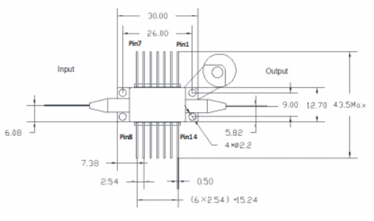
结构尺寸和管脚定义


 

 



订货信息

产品描述

SOA-1310-10-G20-SM-FA

1310nm波段-10dBm饱和输出功率20dB增益-蝶形封装-单模光纤-FC/APC接头

SOA-1310-10-G20-PM-FA

1310nm波段-10dBm饱和输出功率20dB增益-蝶形封装-保偏光纤-FC/APC接头



相关产品
在线留言
导航 产品 资料 电话